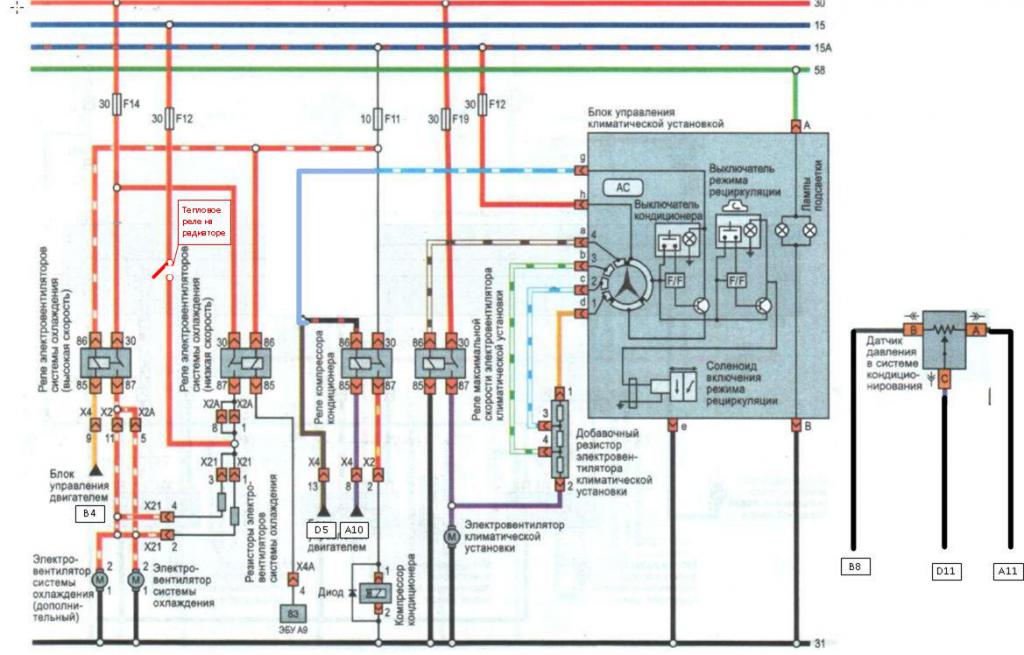
Всех у кого есть кондей прошу ознокомится!!!! Возникла следуюшая ситуация. Родной годовалый радиатор кондиционера проходил только 1 лето! Проблема в следующем. Винты крепления кожуха к радиатору кондея 3 шт перетёрли трубку, и гази масло вытекли. (Винты зи стали как пила от вибрации проточили канавки, перерезав трубку.По пробегу вышло около 10 тыс. Мне это грозит опять заменой и запровкой! вот так у меня сегодня умер кондиционер!
((( обнаружил полёгкому свисту и подтёку зеленоватого масла. Нижний винт, протёр!
Мой путь решения поставить специальные втулки на винты и избежать прямого контакта , стали и трубок! Может полихлор винилки!?поможет?
всем GLE ( у кого кондёр ) советую озадачится таким вопросом.![]()





4сказали спасибо

По пробегу вышло около 10 тыс. Мне это грозит опять заменой и запровкой! вот так у меня сегодня умер кондиционер!
поможет?
