Like Tree72сказали спасибо

Печка, или как согреться в Нексии...

Страница 96 из 134 ПерваяПервая ... 46869495969798106 ... ПоследняяПоследняя
Показано с 951 по 960 из 1336
  1. #951
    ilnaz-kzn
    Участник
    Цитата Сообщение от Восьмиклоп Посмотреть сообщение
    так ведь можно случайно всю печку запенить
    Ну тогда оденься потеплее.


  2. #952
    nexerist
    Старожил
    Ребят, а кто подскажет внутренний диаметр патрубка в который врезается дополнительная помпа. А?

  3. #953
    bercut
    Старожил
    14мм могу и ошибиться давно это было.Но на помпу бош они налазиют с трудом.На вазовские патрубки печки нормально садится но и побольше они чем наши.

  4. #954
    Сергей505
    Член Клуба
    Рамиль, ошибся немного. Патрубки помпы 16 мм.

  5. #955
    bercut
    Старожил
    Цитата Сообщение от Сергей505 Посмотреть сообщение
    Рамиль, ошибся немного. Патрубки помпы 16 мм.
    Я про шланги.На помпе 16 и 20 их два вида одна помощней.

  6. #956
    Сергей505
    Член Клуба
    Не, по бошевским схемам, штуцера на 024-й и 034-й одинаковые вроде..... Хотя могу ошибаться, давно это было)))))

  7. #957
    bercut
    Старожил
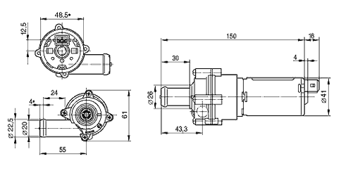
    034Печка, или как согреться в Нексии...-eelsoojendi-sirkulatsioonipump.gif

    - - - Добавлено - - -

    Чет я уже запутался в этих помпах после смены башка не варит.

  8. #958
    nexerist
    Старожил
    вопрос вот в чем, на бошевской помпе штуцера на 20. помпа 024


    я купил хороший шланг, внутренним диаметром на 20, а теперь вот думаю - не великоват он будет на штуцера авто
    Последний раз редактировалось nexerist; 09.10.2013 в 12:19.

  9. #959
    Kashei
    Старожил
    Если великоват будет можно переходник или хомутом затянуть.

  10. #960
    Сергей505
    Член Клуба
    Цитата Сообщение от nexerist Посмотреть сообщение
    а теперь вот думаю - не великоват он будет на штуцера авто
    Яш, на 024-ю помпу родные шланги налазят. Не надо ни чего докупать...

Похожие темы

  1. Ответов: 98
    Последнее сообщение: 14.02.2016, 02:36
  2. Производительность помпы или плохо греет печка
    от Serega2582 в разделе Двигатель и трансмиссия
    Ответов: 18
    Последнее сообщение: 25.12.2012, 20:02
  3. Ответов: 1
    Последнее сообщение: 14.11.2010, 20:33
  4. Ремонт радиатора или пароотводящая трубочка или как там ее
    от Taper в разделе Двигатель и трансмиссия
    Ответов: 3
    Последнее сообщение: 14.08.2009, 16:44
  5. Увеличение обёма Нексии на 1800 как? или 1700???
    от Drag Racer в разделе Двигатель, трансмиссия, подвеска, тормоза, выхлоп
    Ответов: 11
    Последнее сообщение: 18.02.2008, 10:10

Ваши права

  • Вы не можете создавать новые темы
  • Вы не можете отвечать в темах
  • Вы не можете прикреплять вложения
  • Вы не можете редактировать свои сообщения
  •