Like Tree13сказали спасибо

повышаем клиренс...

Страница 3 из 8 ПерваяПервая 12345 ... ПоследняяПоследняя
Показано с 21 по 30 из 73
  1. #21
    mageslay
    Участник
    Так понятней гораздо. А почему одна пластина загнута а вторая нет, както не симетрично выглядит конструкция или не важно это?


  2. #22
    алекс04
    Член Клуба
    можно и обе изогнуть. будет симметричнее, и загиб будет меньше.

  3. #23
    mageslay
    Участник
    Так понятней гораздо. А почему одна пластина загнута а вторая нет, както не симетрично выглядит конструкция или не важно это?

    - - - Добавлено - - -

    Класс благодарю за помошь! , как сделаю выложу фото )

  4. #24
    alex218
    Старожил
    нормальные передние стойки типа газовых каяба и верхняя распорка + задние проставки и нормальные (в смысле усиленные) задние пружины сделают ненужными передние проставки - перед уже не будет проседать и не будет отбоя на лежачих.
    Задние пружины и амортизаторы у меня от Спортейдж-1, т.к. постоянно вожу минимум 100 кг в багажнике. Сейчас в машине всего лежит чуть более 500 кг. (в салоне и багажнике) - машина просела до стокового состояния.
    Последний раз редактировалось alex218; 29.08.2016 в 23:39.

  5. #25
    mageslay
    Участник
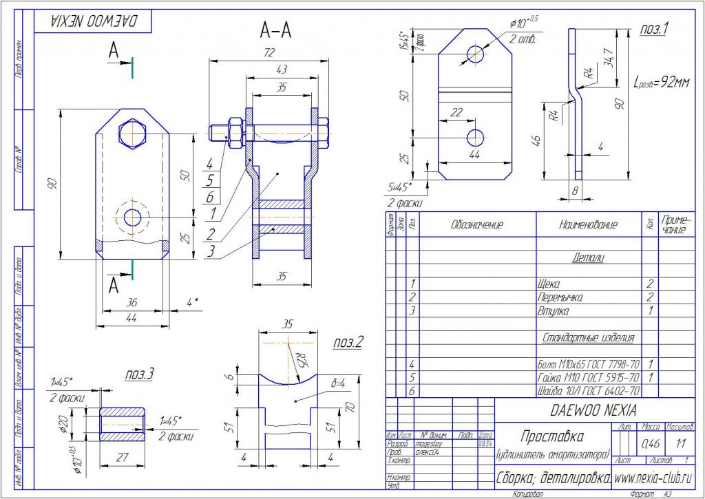
    повышаем клиренс...-sborka.jpgповышаем клиренс...-sborka2.jpg

    Вот что у меня получилось. Поеду отдам ребятам на изготовление.

  6. #26
    mageslay
    Участник
    Вот что получилось
    Миниатюры Миниатюры повышаем клиренс...-20160901_214338.jpg  

  7. #27
    алекс04
    Член Клуба
    осталось смонтировать

  8. #28
    mageslay
    Участник
    Да завтра надеюсь получится установить, результат выложу. А если перед я не поднимаю, ничего страшного? Не будет ли зад слишком поднят высоко?

  9. #29
    алекс04
    Член Клуба
    Цитата Сообщение от mageslay Посмотреть сообщение
    Не будет ли зад слишком поднят высоко?


    - - - Добавлено - - -


    или

  10. #30
    mageslay
    Участник
    )))) т.е. лучше и перед поднять а то несмогу нормально ездить?

Похожие темы

  1. как увеличить клиренс
    от Юрий Бондарь в разделе Вопросы и ответы
    Ответов: 19
    Последнее сообщение: 29.05.2012, 22:19
  2. Увеличил клиренс Нексии
    от Djek318 в разделе Шины и диски
    Ответов: 127
    Последнее сообщение: 03.10.2011, 14:16
  3. Клиренс
    от 0000 в разделе Ходовая, кузов, салон, рулевое и тормоза
    Ответов: 66
    Последнее сообщение: 06.05.2011, 19:04
  4. Защита и клиренс
    от Ddimon в разделе Ходовая, кузов, салон, рулевое и тормоза
    Ответов: 14
    Последнее сообщение: 17.09.2010, 09:04
  5. Увеличиваем клиренс!!!
    от SCH в разделе Ответы на вопросы по тюнингу
    Ответов: 36
    Последнее сообщение: 30.03.2009, 19:25

Ваши права

  • Вы не можете создавать новые темы
  • Вы не можете отвечать в темах
  • Вы не можете прикреплять вложения
  • Вы не можете редактировать свои сообщения
  •