Like Tree20сказали спасибо

Электро-Стеклоподъемники

Страница 123 из 140 ПерваяПервая ... 2373113121122123124125133 ... ПоследняяПоследняя
Показано с 1,221 по 1,230 из 1399
  1. #1221
    алекс04
    Член Клуба
    в идеале с 16 предохранителя, он та ЭСП и идет. проверь, на него напруга приходит, а отходящих нет, вот туда и запитывайся


  2. #1222
    dem00n
    Участник
    Цитата Сообщение от алекс04 Посмотреть сообщение
    в идеале с 16 предохранителя, он та ЭСП и идет. проверь, на него напруга приходит, а отходящих нет, вот туда и запитывайся
    А "+" подсветки куда посоветуешь ? Чтоб меньше гемороя было с разборкой панели и т.п. ?

  3. #1223
    DrOn55
    Член Клуба
    dem00n, Либо в блок предохранителей, где в заводском варианте, либо напрямую от аккума тянуть через пред.
    Второй вариант предпочтительнее.

  4. #1224
    алекс04
    Член Клуба
    Цитата Сообщение от dem00n Посмотреть сообщение
    А "+" подсветки куда посоветуешь
    к прикуривателю с пепельницей идет провод подсветки.
    а где кнопки ставить будеш?

  5. #1225
    dem00n
    Участник
    Цитата Сообщение от алекс04 Посмотреть сообщение
    к прикуривателю с пепельницей идет провод подсветки.
    а где кнопки ставить будеш?
    За ручкой КПП как вот тут http://www.nexia-faq.ru/images03/img_029.jpg

    - - - Добавлено - - -

    Цитата Сообщение от DrOn55 Посмотреть сообщение
    dem00n, Либо в блок предохранителей, где в заводском варианте, либо напрямую от аккума тянуть через пред.
    Второй вариант предпочтительнее.
    От аккума предпочтительней я понимаю, но гемора больше.

  6. #1226
    алекс04
    Член Клуба
    Цитата Сообщение от dem00n Посмотреть сообщение
    но гемора больше.
    поэтому


    Цитата Сообщение от алекс04 Посмотреть сообщение
    с 16 предохранителя,

  7. #1227
    ll73
    Участник
    Здравствуйте! Купил комплект ЭСП "Форвард" устанавливаю сам. Вопрос у меня один где взять "массу"? Прикрутить там же в дверь или тянуть дальше? как надежнее?
    Последний раз редактировалось ll73; 04.07.2013 в 23:05.

  8. #1228
    AKWoland
    Старожил
    Подсветку брать с предохранителя габаритов, F2 кажется (подписан как ILLUMINATION), массу отдельно тянуть надежнее.

  9. #1229
    fidgi
    Участник
    Заколхозил ЭСП на передние двери. От своих кнопок работают, Подключил параллельно вторую кнопку для пассажирской двери,не работает. Параллель врезал в провода идущие к моторчику.Когда включаю вторую кнопку, место врезки сильно нагревается, но предохранитель не сгорает.В чем может быть причина? Как правильно подключить вторую кнопку?

  10. #1230
    алекс04
    Член Клуба
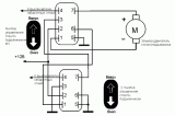
    вот схемаЭлектро-Стеклоподъемники -8cfebebf2c96.gif

Похожие темы

  1. Электро-Проблемма
    от demos в разделе Электрооборудование и электроника
    Ответов: 3
    Последнее сообщение: 27.06.2013, 22:59
  2. Проблема с электро стеклоподъёмником.
    от Slaks в разделе Электрооборудование и электроника
    Ответов: 5
    Последнее сообщение: 15.10.2011, 13:02
  3. Электро-турбина
    от Matthew в разделе Двигатель, трансмиссия, подвеска, тормоза, выхлоп
    Ответов: 18
    Последнее сообщение: 12.08.2011, 08:46
  4. Ответов: 22
    Последнее сообщение: 10.09.2010, 02:27
  5. Электро корректор
    от vkp11 в разделе Электрооборудование и электроника
    Ответов: 18
    Последнее сообщение: 06.08.2009, 02:19

Ваши права

  • Вы не можете создавать новые темы
  • Вы не можете отвечать в темах
  • Вы не можете прикреплять вложения
  • Вы не можете редактировать свои сообщения
  •