Like Tree295сказали спасибо

Программное обеспечение на ПК

Страница 206 из 242 ПерваяПервая ... 106156196204205206207208216 ... ПоследняяПоследняя
Показано с 2,051 по 2,060 из 2414
  1. #2051
    AlexAnder007
    Участник
    если не ошибаюсь то на незапущенном двигателе давление 100 кПа а давление топлива во впускном коллекторе 35 кПа


  2. #2052
    AKWoland
    Старожил
    AlexAnder007, все верно, только не топлива, а воздуха.

  3. #2053
    Iyrii
    Участник
    Помогите, кто знает.
    У меня Нексия 1997, загорелся чек, 13-"нет сигнала датчика кислорода".

    Я снял отказ через DwScan. Ошибки нет, датчик кислорода по DwScan работает (показания меняются), но расход большой.

    Через время снова загорается чек, "нет сигнала ДК", Снимаю ошибку.
    Результат: ДК не работает, показания замерли на 449 мкв. И чек не горит.

    Поменял сегодня ДК - результата нет - Чек не горит и показания на месте =449 мкв. по DwScan.
    Мои познания закончились...

  4. #2054
    Kolo
    Старожил
    По памяти вроде если ошибка по ДК мозги сами переходят на без лямбды. Скинуть их наверное нужно. Но это по 16кл.

  5. #2055
    Vic278
    Старожил
    Цитата Сообщение от Iyrii Посмотреть сообщение
    Помогите, кто знает.
    У меня Нексия 1997, загорелся чек, 13-"нет сигнала датчика кислорода".

    Я снял отказ через DwScan. Ошибки нет, датчик кислорода по DwScan работает (показания меняются), но расход большой.

    Через время снова загорается чек, "нет сигнала ДК", Снимаю ошибку.
    Результат: ДК не работает, показания замерли на 449 мкв. И чек не горит.

    Поменял сегодня ДК - результата нет - Чек не горит и показания на месте =449 мкв. по DwScan.
    Мои познания закончились...
    На твоей Нексии (до 2003 г, конкретно 1997) ДК(датчик кислорода или лямбда) во всяком случае с завода не устанавливался! У тебя должен стоять переменный резистор СО-потенциометр (РСО)! И показания РСО не должны меняться, а оставаться на одном (установленном резистором уровне). Проверь правильно ли ты установил марку авто в программе DwSkan? Если нет, то показания не корректны.
    Если ДК все же кто установил (например предыдущий хозяин), то ЭБУ (если его тоже не меняли на модель после 2003 г) его вряд ли увидит, короче там нет такой микросхемы!
    Последний раз редактировалось Vic278; 02.10.2014 в 21:07.

  6. #2056
    Iyrii
    Участник
    Цитата Сообщение от Kolo Посмотреть сообщение
    По памяти вроде если ошибка по ДК мозги сами переходят на без лямбды. Скинуть их наверное нужно. Но это по 16кл.
    Мозги (ЭБУ) скинул (Обнулил и с помощью DwScan, и методом отключения аккумулятора.) Может прошивка частично слетела по ДК-Лямбе?..

    - - - Добавлено - - -

    Цитата Сообщение от Vic278 Посмотреть сообщение
    На твоей Нексии (до 2003 г, конкретно 1997) ДК(датчик кислорода или лямбда) во всяком случае с завода не устанавливался! У тебя должен стоять переменный резистор СО-потенциометр (РСО)! И показания РСО не должны меняться, а оставаться на одном (установленном резистором уровне). Проверь правильно ли ты установил марку авто в программе DwSkan? Если нет, то показания не корректны.
    Если ДК все же кто установил (например предыдущий хозяин), то ЭБУ (если его тоже не меняли на модель после 2003 г) его вряд ли увидит, короче там нет такой микросхемы!
    На машине все родное с завода, я все-время ездил один. ДК-лямба установлен с завода (с одним проводом). Есть еще родной катализатор. Может катализатор принимал участие. Но сейчас DwScan просто не видит ответа ЭБУ о ДК-лямбе. А сброс ошибки по ДК я выполнил при работающем двигателе.

  7. #2057
    автоманьяк
    Участник
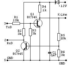
    Всем доброго времени суток! Ребята, подскажите может кто пробовал данный адаптер прикошачить к нексииПрограммное обеспечение на ПК-kline.gif и вообще будет ли такой работать на нексии н 100? Пробовал сегодня компьютер видит адаптер показывает что он работоспособен, но программа dw scan показывает что порт закрыт и работать не хочет. И сразу еще спрошу k line контакт на разъеме обд 1 находиться в верхнем ряду первым или я ошибаюсь?
    Последний раз редактировалось автоманьяк; 02.10.2014 в 22:58.

  8. #2058
    Kolo
    Старожил
    Iyrii В прошивке ничего не слетает, сброс все вернет. Может с лямбды просто провод слетел. Даже если она дохлая или регулирование по ней не работает, сигнал с нее будет гулять.

  9. #2059
    AKWoland
    Старожил
    Цитата Сообщение от автоманьяк Посмотреть сообщение
    Всем доброго времени суток! Ребята, подскажите может кто пробовал данный адаптер прикошачить к нексии и вообще будет ли такой работать на нексии н 100?
    Если собрал правильно - будет работать.
    Я собирал такой http://www.drive2.ru/l/288230376152749035/ уже подключался им к туевой хуче разных нексий - везде работает отлично, плюс он USB, к ноуту можно подключать.

    Цитата Сообщение от автоманьяк Посмотреть сообщение
    Пробовал сегодня компьютер видит адаптер показывает что он работоспособен, но программа dw scan показывает что порт закрыт и работать не хочет. И сразу еще спрошу k line контакт на разъеме обд 1 находиться в верхнем ряду первым или я ошибаюсь?
    Проверь правильно ли ты установил в настройках скорость передачи данных для порта и стоповые биты.

  10. #2060
    автоманьяк
    Участник
    Скорость передачи данных ставил 8200, а где устанавливаются стоповые биты? Заранее спасибо

Похожие темы

  1. Очки для ПК
    от Den_MSK в разделе Треп
    Ответов: 12
    Последнее сообщение: 21.11.2011, 09:48
  2. Ответов: 28
    Последнее сообщение: 27.05.2011, 20:08
  3. Антивирус для ПК
    от Titan в разделе Треп
    Ответов: 162
    Последнее сообщение: 06.05.2010, 11:16
  4. про пк к авто
    от povidlo в разделе Электрооборудование и электроника
    Ответов: 1
    Последнее сообщение: 21.12.2008, 23:06

Ваши права

  • Вы не можете создавать новые темы
  • Вы не можете отвечать в темах
  • Вы не можете прикреплять вложения
  • Вы не можете редактировать свои сообщения
  •