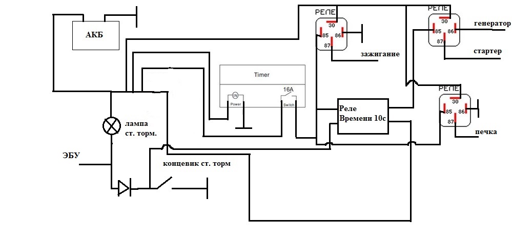
Друзья, решил сделать себе автозапуск, нашел на аликспресс вот такую штуку - https://ru.aliexpress.com/item/timer...2.4.183.TRtPdr
Думаю делать так:
- подключать питание девайса к цепи лампочки поднятого ручника (для защиты от старта на передаче)
- использовать девайс как формирующий управляющий сигнал на 2 реле: стартера и зажигания
- реле стартера подключать по схеме http://www.nexia-faq.ru/electro/block-starter.html, чтобы сразу после старта стартер выключался
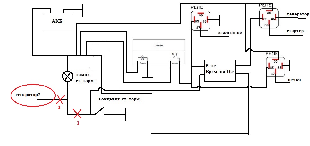
из минусов вижу только один, если двигатель не запустится совсем крутить будет пока не сядет аккум, кстати есть идеи как избежать?
скажите я ничего не упускаю, будет работать?
---------
Дополнено
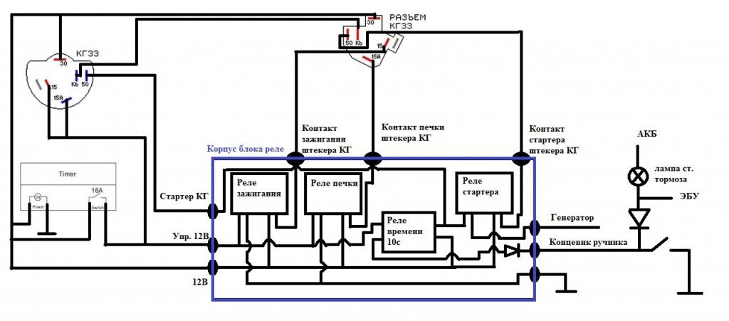
Для тех кому лень читать: финальная схема тут - http://www.nexia-club.ru/f/elektroob...p4#post2309934





8сказали спасибо

