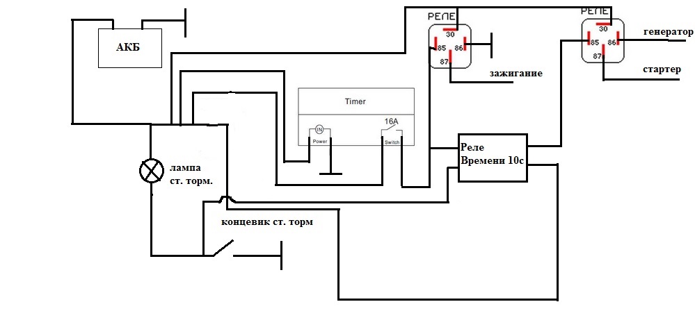
По функциям это же таймер, что на всех углах продается. Поэтому можно задать (если я правильно понял) 16 программ. Т.е. задаешь, например 2 программы, 2 попытки запуска. Но тут есть другие минусы - настройки будут поминутные, т.е. стартер будет минуту крутить в попытке запуска. Но зато 2 попытки по минуте не убьют аккум.
Работать будет, думаю. Вопрос в другом - зачем такая конструкция вообще. Оставишь на пару дней и забудешь отключить - будет сюрприз.





8сказали спасибо





