Like Tree11сказали спасибо

вентилятор отопителя

Страница 3 из 4 ПерваяПервая 1234 ПоследняяПоследняя
Показано с 21 по 30 из 34

Комбинированный просмотр

Предыдущее сообщение Предыдущее сообщение   Следующее сообщение Следующее сообщение
  1. #1
    Олег92
    Старожил
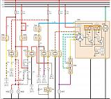
    в таком случае вытаскивать реле 4-й скорости вентилятора и в его колодке проверять чтобы там куда 86 контакт реле вставляется было +12вольт при включенной 4 скорости. Если нет то скорей всего проблема в переключателе в блоке управления печкой.

  2. #2
    VZ54
    Старожил
    Вентилятор печки с третьей скорости самопроизвольно переключается на четвёртую. И тогда уже на переключатель скоростей не реагирует, даже ставишь на "выкл", а он продолжает молотить на четвёртой. Чтобы его остановить надо выключить дигатель и соответственно зажигание. Потом выключить вентилятор. После этогоможно снова заводить двиг и включать вент. отопителя. Первые две скорости без проблем, а на третьей уже снова как повезёт, чаще всего и почти сразу снова то же самое самопроизвольное переключение на четвёртую. У кого было? Куда копать?

  3. #3
    vn13
    Старожил
    Цитата Сообщение от VZ54 Посмотреть сообщение
    аже ставишь на "выкл", а он продолжает молотить на четвёртой
    рэлюха залипает каким то образом, идей других нетути.

    - - - Добавлено - - -

    Глянь на рэле К24 на ноги 86 и 87 или их цепь. Похоже залипуха.. она же коза, она же...

    - - - Добавлено - - -

    При 1, 2, 3 скоростях на 86й ноге(обмотка) напряжения быть не должно никакого, только при 4й.
    Если есть - то кз где то. Просто при 3й напряжение выше и рэлюшка сама себя держит.

  4. #4
    VZ54
    Старожил
    Спасибо. Как я понял надо разбираться откуда на реле К 24 на ногу 86 приходит напруга, когда четвёртая скорость не включена, там её не должно быть. По причине КЗ или по какой другой.

  5. #5
    vn13
    Старожил
    Цитата Сообщение от VZ54 Посмотреть сообщение
    разбираться откуда на реле К 24 на ногу 86 приходит напруга
    Это из анализа схемы, предположение. Но проверить в первую очередь.
    Кстати - если четвертую включить, так же "залипает", если потом сбавить или отпускает?

  6. #6
    VZ54
    Старожил
    Цитата Сообщение от vn13 Посмотреть сообщение
    Это из анализа схемы, предположение. Но проверить в первую очередь.
    Кстати - если четвертую включить, так же "залипает", если потом сбавить или отпускает?
    Если четвертую сразу врубить, то тоже клинит и вниз уже не отпускает и не выключается. Однако если на первой или второй минут 15-20 погонять, то потом и третью и четвертую нормально воспринимает и все адекватно работает. Короче пропадающий дефект, чувствую, пока окончательно не переклинит, то устану диагностировать. Но что характерно, когда закоротит, ставишьпереключатель в любое положение, кроме. четвертого и продолжает работать, даже при выключенном зажигании. Чтобы печку выключить надо обязательно поставить переключатель в положение четыре, потом заглушить движок и потом переключатель на 0. По другому не выключается.

    - - - Добавлено - - -

    Цитата Сообщение от Bobby_ Посмотреть сообщение
    Я бы спиральки достал посмотреть. Может провисли и перемыкаются.
    Что за спиральки? Где их искать?

  7. #7
    Bonpirr
    Старожил
    Цитата Сообщение от VZ54 Посмотреть сообщение
    Что за спиральки? Где их искать?
    Здесь:
    вентилятор отопителя-2560493933-2-.jpg

    Крепится снаружи двумя винтами.
    Последний раз редактировалось Bonpirr; 26.07.2017 в 18:53.

  8. #8
    vn13
    Старожил
    Как временная мера - не пользоваться 4й скоростью, т.е. выдернуть рЕлюху или F19(возможно еще на что-то он влияет)
    Предполагаю, что возле реле подплавились провода и дали такой эффект


    Цитата Сообщение от VZ54 Посмотреть сообщение
    сли на первой или второй минут 15-20 погонять
    т.е. спиральки(проволочные резисторы) нагреются и тем увеличат свое сопротивление. Что не даст силы срабатыванию К24.

  9. #9
    Bonpirr
    Старожил
    Цитата Сообщение от vn13 Посмотреть сообщение
    т.е. спиральки(проволочные резисторы) нагреются и тем увеличат свое сопротивление. Что не даст силы срабатыванию К24.
    Четвёртая скорость включается не через спирали, а напрямую, с переключателя.
    вентилятор отопителя-2017-07-26_20-21-19.jpg

  10. #10
    Bonpirr
    Старожил
    Скорее всего провод, который идёт на 86 контакт реле замыкается на третий или четвёртый контакт резистора. При этом если включить третью скорость сразу, на холодных спиралях, как уже сказано выше, падение напряжения на резисторах будет маленьким и к обмотке реле приложится напряжение достаточное для его срабатывания. Из-за такого замыкания реле самоблокируется и отключается только извлечением самого реле или предохранителя.

    Цитата Сообщение от VZ54 Посмотреть сообщение
    Чтобы печку выключить надо обязательно поставить переключатель в положение четыре, потом заглушить движок и потом переключатель на 0. По другому не выключается.
    При включении четвёртого режима резисторы отключаются от бортсети, и через них ток идти не должен, но из-за замыкания через резисторы идёт малый ток удержания реле, резисторы остывают и их сопротивление уменьшается. При отключении зажигания пропадает напряжение на переключателе скоростей вентилятора и ток на мотор вентилятора идёт через заблокированное реле. При переключении скоростей в "0", падение напряжения на резисторе возрастает, а так как напряжение в бортсети становится меньше (двиг заглушен, генератор не работает), снижается напряжение на реле и оно отключается.

    Сдаётся мне что контактная пластина внутри переключателя болтается и коротит. Можно проверить так. На заведённом движке включить четвертую скорость, заглушить мотор, вентилятор должен остаться включенным из-за заблокированного реле, включить первую или вторую скорость и отключить разъём который идёт на блок управления печкой (придётся трос привода заслонки отсоединять, чтобы блок вытащить). Если КЗ в блоке, то вентилятор остановится, если нет - то КЗ в проводке.

    - - - Добавлено - - -

    Цитата Сообщение от VZ54 Посмотреть сообщение
    если контакты 2(фиолетовый) и 4(бело-зелёный) мимо резистора меж собой коротят (а это на сколько я понимаю и есть спиральки), то печка будет крутиться на максимальной скорости как раз при любом положении переключателя.
    В таком случае максимальная скорость будет в положении 3 и 4, но ток проходящий через контакты переключателя (на скоростях 1,2 и 3) будет выше номинального и может поплавиться переключатель скоростей.

    - - - Добавлено - - -

    Цитата Сообщение от vn13 Посмотреть сообщение
    я это хорошо знаю
    у него четвертая включается при третьей
    Что-то я затупил.
    Последний раз редактировалось Bonpirr; 27.07.2017 в 00:10.

Похожие темы

  1. Не работает вентилятор отопителя
    от DeBOBAHer в разделе Электрооборудование и электроника
    Ответов: 2
    Последнее сообщение: 02.08.2012, 23:51
  2. Гудит вентилятор отопителя
    от leon2014 в разделе Электрооборудование и электроника
    Ответов: 11
    Последнее сообщение: 03.01.2012, 17:40
  3. Вентилятор отопителя
    от jeantr в разделе Электрооборудование и электроника
    Ответов: 8
    Последнее сообщение: 26.10.2010, 17:25
  4. Перестал работать вентилятор отопителя
    от ВолК в разделе Электрооборудование и электроника
    Ответов: 3
    Последнее сообщение: 29.03.2009, 23:14
  5. Вентилятор отопителя
    от Toha в разделе Ответы на вопросы по тюнингу
    Ответов: 2
    Последнее сообщение: 26.12.2008, 12:56

Ваши права

  • Вы не можете создавать новые темы
  • Вы не можете отвечать в темах
  • Вы не можете прикреплять вложения
  • Вы не можете редактировать свои сообщения
  •