Like Tree14сказали спасибо

Шташная магнитола Clarion в новой нексии,свойста, особенности эксплуатации

Страница 9 из 26 ПерваяПервая ... 789101119 ... ПоследняяПоследняя
Показано с 81 по 90 из 2143

Комбинированный просмотр

Предыдущее сообщение Предыдущее сообщение   Следующее сообщение Следующее сообщение
  1. #1
    AKWoland
    Старожил
    Цитата Сообщение от aleksey996 Посмотреть сообщение
    Парни что бушуем? ну видит человек плюс на клемнике динамика. вот и начинается самое интересное, под названием фазировка динамика. Оную делают и по проводу к примеру коричневый к плюсу бело коричневый к минусу, синий к + бело синий к - . можно прибором, можно на слух. на малых мощностях до 10 вт мало заметно. И нет плюсов при использовании усилителей со встречным включением.
    Да на слух суёш диск с моно сигналом лучше с записью генератора 1Кгц и при противофазном включении создаётся впечатление что звук притихает и всего то.
    Фазировка нужна всего-то чтобы стереосигнал воспринимался правильно. Суть в том чтобы она была везде одинаковая, а по сути + и - не принципиально, главное чтобы везде одинаково было.

  2. #2
    Sергий
    Старожил
    Цитата Сообщение от aleksey996 Посмотреть сообщение
    ну видит человек плюс на клемнике динамика.
    а вот логику, смысл, уже не видит никто...
    и причём тут фазировка если провода подписаны и клеммы динамика тоже подписаны. Название: russian.gif
Просмотров: 911

Размер: 12.1 Кб

  3. #3
    Dan 1
    Участник
    Цитата Сообщение от AKWoland Посмотреть сообщение
    Да, я писал о постоянном плюсе питания самой магнитолы. На динамики плюс не подается. Вообще. Никак. Он там не нужен. Просто такая схема.
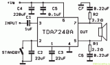
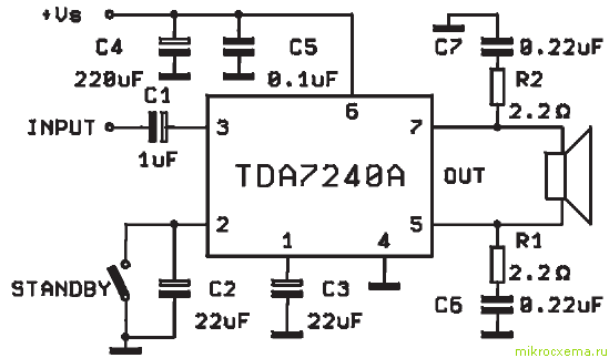
    Вот схема аналогичного усилителя:
    Шташная магнитола Clarion в новой нексии,свойста, особенности эксплуатации-tda7240_1.gif
    В нашем кларионе таких четыре в одной мирухе.
    Где плюс? Правильно, нету плюса! А почему? Потому что не нужен! Почему не нужен? Схема такая, будем считать, что инженерам idas так захотелось.
    Короче не забивай голову, включай попарно провода одного цвета каждый к своему динамику и не парься.
    Так я и не говорил, что плюс идет на динамики, я сказал, что постоянный плюс там есть ВООБЩЕ! Я сделал, все работает.

    - - - Добавлено - - -

    Цитата Сообщение от aleksey996 Посмотреть сообщение
    Парни что бушуем? ну видит человек плюс на клемнике динамика. вот и начинается самое интересное, под названием фазировка динамика. Оную делают и по проводу к примеру коричневый к плюсу бело коричневый к минусу, синий к + бело синий к - . можно прибором, можно на слух. на малых мощностях до 10 вт мало заметно. И нет плюсов при использовании усилителей со встречным включением.
    Да на слух суёш диск с моно сигналом лучше с записью генератора 1Кгц и при противофазном включении создаётся впечатление что звук притихает и всего то.
    Покажите мне, где вы увидели что я написал что плюс на ДИНАМИКЕ??

  4. #4
    aleksey996
    Участник
    Покажите мне где вы увидели что я написал про вас? Тема сама родилась из того что кто то увидев маркированные клемы динамика не захотел углубиться в тему путём заГУГЛЕНИЯ. И далее дан Простейший способ фазировки акустических систем. И вся тема яйца выеденного не стоит, это старо как мир.

  5. #5
    zak
    Участник
    Привет нексиводам! Почти по всему форуму пробежался и не нашёл... У CD-проигрывателя clarion с голубым(пардон) экраном регулируется ли яркость подсветки??? Заколебался я ездить ночью ослеплённым. Хоть вырубай её по ночам! А ночью без музыки, сами понимаете, не фонтан. Подскажите, плиз, как лечится эта беда.

  6. #6
    AKWoland
    Старожил
    Цитата Сообщение от zak Посмотреть сообщение
    Привет нексиводам! Почти по всему форуму пробежался и не нашёл... У CD-проигрывателя clarion с голубым(пардон) экраном регулируется ли яркость подсветки??? Заколебался я ездить ночью ослеплённым. Хоть вырубай её по ночам! А ночью без музыки, сами понимаете, не фонтан. Подскажите, плиз, как лечится эта беда.
    К габаритам правильно подсоединена? Штатно при включении габаритов яркость вдвое приглушается.

  7. #7
    zak
    Участник
    Приглушается. Но ночью уменьшить бы яркость раза в четыре, а не в два, был бы полный орднунг...

  8. #8
    Бенедикт
    Забанен
    Затонировать?

  9. #9
    zak
    Участник
    Это - идея. Минус единственный: днём придется присматриваться. Может сделать какую-нибудь съёмную шторку?.. Надо продумать...

  10. #10
    Sергий
    Старожил
    Съемную электро тонировку.

Похожие темы

  1. Ответов: 666
    Последнее сообщение: 12.12.2018, 11:31
  2. Ответов: 509
    Последнее сообщение: 07.03.2016, 19:53
  3. Ответов: 782
    Последнее сообщение: 29.06.2013, 00:23
  4. Ответов: 65
    Последнее сообщение: 05.07.2012, 16:26
  5. Стандартная магнитола Clarion 2640A
    от Философ в разделе Автозвук
    Ответов: 2
    Последнее сообщение: 12.06.2009, 11:17

Ваши права

  • Вы не можете создавать новые темы
  • Вы не можете отвечать в темах
  • Вы не можете прикреплять вложения
  • Вы не можете редактировать свои сообщения
  •