Добрый день всем!
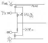
После того как вытащил желтый колпачок из задних поворотников и не вставил желтую лампу ( Nexia N100) , то возникла идея объединить лампы поворотников и заднего хода ( то есть при включении поворотника или заднего хода загорались два верхних отсека фары. В электрике я вообще не смыслю и попробовал по тупому накинуть объединяющий провод на два плюсовых на каждой лампе . Результат: при включении любого поворотника - загораются все поворотники и само собой задний ход.
Подскажите как все же правильно сделать? Буду благодарен безмерно ))





10сказали спасибо

