Like Tree22сказали спасибо

Как определить протокол эбу.

Страница 2 из 16 ПерваяПервая 123412 ... ПоследняяПоследняя
Показано с 11 по 20 из 155
  1. #11
    cmotr
    Новичок
    Через кабель vag com тоже нельзя?


  2. #12
    vn13
    Старожил
    у меня аналог ваг-кома, самодельный

  3. #13
    cmotr
    Новичок
    Как его можно сделать и пойдет ли он к моему ЭБУ?

    - - - Добавлено - - -

    vn13, пожалуйста можно поподробнее о самодельном ваг-ком?

  4. #14
    vn13
    Старожил
    взял микросхему FT232RL? подклчил стандартным образом по даташиту, в интферфейс к ЭБУ взял компаратор на двух элементах.
    В итоге что-то типа ВагКОма. особенность у нексии с ODB GM12 - это 5 вольт, а не 12
    вроде бы какие то ваг комы умеют подстраиваться. Вобщем надо смотреть куда идет интерфейс на LM-ке питанием

    - - - Добавлено - - -

    А ты каким софтом пользуешься? Может не то выставляешь.

    - - - Добавлено - - -

    Плюсом еще иной раз надо учитывать, что к-лайн наш, имеет скорость 8192(8200)

  5. #15
    cmotr
    Новичок
    Я разные программы пробовал, везде пишет нет связи с ЭБУ. В Research Daewoo все показания быстро прыгают как взбесившиеся

  6. #16
    vn13
    Старожил
    схема типа этой: https://img.overpic.net/images/z/o/o...wbdj3b0n2s.jpg
    только на два элемента в правой стороне и подтяжка не к 12и, а к 5и вольтам

    - - - Добавлено - - -

    да, там еще l-line добавлено.. нам это не требуется

  7. #17
    cmotr
    Новичок
    У тебя тоже kdac zxit, и все работает?

  8. #18
    Vic278
    Старожил
    Цитата Сообщение от cmotr Посмотреть сообщение
    Я разные программы пробовал, везде пишет нет связи с ЭБУ. В Research Daewoo все показания быстро прыгают как взбесившиеся
    Ставь на СОМ 1 порт, DwScаn только с ним работает, и вообще надо на него привязывать. Проверь установлен ли драйвер на адаптер что с компом соединяет.

    - - - Добавлено - - -

    Цитата Сообщение от cmotr Посмотреть сообщение
    Как его можно сделать и пойдет ли он к моему ЭБУ?

    - - - Добавлено - - -

    vn13, пожалуйста можно поподробнее о самодельном ваг-ком?
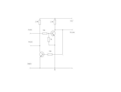
    Схема адаптера gorUgra для Сом порта Как определить протокол эбу.-.jpg

  9. #19
    alex_www1
    Старожил
    Цитата Сообщение от cmotr Посмотреть сообщение
    Я разные программы пробовал, везде пишет нет связи с ЭБУ.
    У меня тоже не заработал первый кабель, всё прозвонил-перезвонил, оказалось чип дохлый на к-линию. Купил другой - сразу заработало. Но второй покупал уже на авито и с обязательной проверкой прямо во время покупки, если бываешь в Москве вот линк на продавашку https://www.avito.ru/moskva/zapchast...ftdi_218108367

  10. #20
    Bonpirr
    Старожил
    Я другу на двух транзисторах собирал, работает. И DwScan и Daewoo Research. Проверялся на двух ЭБУ с блю-чипом.

Похожие темы

  1. можно определить что ЭБУ неисправна......
    от denis999 в разделе Электрооборудование и электроника
    Ответов: 2
    Последнее сообщение: 17.06.2011, 22:30
  2. как определить краску?
    от jam в разделе Вопросы и ответы
    Ответов: 1
    Последнее сообщение: 05.02.2011, 04:37
  3. Как определить пробег?
    от EXEcutor в разделе Покупка
    Ответов: 44
    Последнее сообщение: 03.11.2010, 14:20
  4. Ответов: 5
    Последнее сообщение: 20.05.2009, 14:10
  5. Как правильно определить?
    от JAKKK в разделе Техобслуживание и эксплуатация
    Ответов: 13
    Последнее сообщение: 07.02.2009, 21:43

Ваши права

  • Вы не можете создавать новые темы
  • Вы не можете отвечать в темах
  • Вы не можете прикреплять вложения
  • Вы не можете редактировать свои сообщения
  •