Датчик ручника как снять?

Страница 2 из 2 ПерваяПервая 12
Показано с 11 по 15 из 15

Комбинированный просмотр

Предыдущее сообщение Предыдущее сообщение   Следующее сообщение Следующее сообщение
  1. #1
    Bonpirr
    Старожил
    Цитата Сообщение от Павел7777 Посмотреть сообщение
    минусовой провод бипера присоединить к части провода, которая ближе к выключателю на ручнике, плюсовой - к противоположному концу провода?
    Нет, минус бипера на провод идущий от датчика, плюс бипера на любой плюсовой провод на котором появляется напряжение +12 Вольт при включенном зажигании. Можно подключить просто параллельно контрольной лампе ручника, как на схеме. Провод размыкать не нужно.

  2. #2
    алекс04
    Член Клуба
    Павел7777, 1. Подключиться к проводу ручника можно в другом месте, где доступ легче. А именно в разъеме за пластиком, под ручкой открытия капота. Там 2 разъема, в нижнем есть зеленый провод, это ручник. Управление по минусу.
    И нужно будет обязательно диод поставить, иначе будет пищать даже с опущенным ручником, на не заведением моторе.

  3. #3
    Павел7777
    Новичок
    Цитата Сообщение от Bonpirr Посмотреть сообщение
    Нет, минус бипера на провод идущий от датчика, плюс бипера на любой плюсовой провод на котором появляется напряжение +12 Вольт при включенном зажигании. Можно подключить просто параллельно контрольной лампе ручника, как на схеме. Провод размыкать не нужно.
    Если чёрный провод, выходящий из датчика минусовой, то где же тогда плюсовой?

  4. #4
    Павел7777
    Новичок
    Цитата Сообщение от алекс04 Посмотреть сообщение
    Павел7777, 1. Подключиться к проводу ручника можно в другом месте, где доступ легче. А именно в разъеме за пластиком, под ручкой открытия капота. Там 2 разъема, в нижнем есть зеленый провод, это ручник. Управление по минусу.
    И нужно будет обязательно диод поставить, иначе будет пищать даже с опущенным ручником, на не заведением моторе.
    А диод какого сопротивления? Последовательно на минус поставить надо?

  5. #5
    алекс04
    Член Клуба
    Цитата Сообщение от Павел7777 Посмотреть сообщение
    А диод какого сопротивления? Последовательно на минус поставить надо?
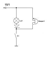
    сопротивление не знаю. схема вот
    Датчик ручника как снять?-1.jpg

Похожие темы

  1. Постоянно забываю снять с ручника...
    от Nadia1985 в разделе Ходовая, кузов, салон, рулевое и тормоза
    Ответов: 214
    Последнее сообщение: 22.01.2016, 12:39
  2. Как снять аккумулятор ??
    от Swazzi в разделе Электрооборудование и электроника
    Ответов: 19
    Последнее сообщение: 16.12.2014, 18:39
  3. Как снять с учета
    от Тищ в разделе Покупка
    Ответов: 13
    Последнее сообщение: 20.08.2012, 09:57
  4. Ответов: 33
    Последнее сообщение: 24.01.2011, 13:26
  5. Не могу снять дворники с поводков, как и чем мона снять?
    от GazeeFF в разделе Техобслуживание и эксплуатация
    Ответов: 4
    Последнее сообщение: 20.11.2010, 23:06

Ваши права

  • Вы не можете создавать новые темы
  • Вы не можете отвечать в темах
  • Вы не можете прикреплять вложения
  • Вы не можете редактировать свои сообщения
  •