Like Tree53сказали спасибо

посоветуйте адаптер для диагностики

Страница 9 из 17 ПерваяПервая ... 7891011 ... ПоследняяПоследняя
Показано с 81 по 90 из 164
  1. #81
    Fixator
    Участник
    ELM 327 не работают на N100, даже USB если не ошибаюсь, так что прежде чем их заказывать, 100раз все взвесьте.....


  2. #82
    Antipin
    Старожил
    Fixator, 100%? Жаль.

  3. #83
    a_vadimka
    Участник
    Цитата Сообщение от petr_ Посмотреть сообщение
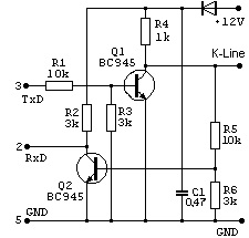
    Адаптер нужен, тк. в авто шина CAN, но наличие физического COM порта облегчает жизнь. При наличии навыков пайки или друга-радиолюбителя, адаптер можно собрать на 2-х транзисторах. Так чисто попробовать.
    Где бы схему найти? Чет не могу найти, был бы примного благодарен за ссылочку! Наличие навыков пайки имеется, друг радиолюбитель живет по соседству:-)

  4. #84
    petr_
    Участник
    посоветуйте адаптер для диагностики-na-tranzistorah.jpg
    Почитай эту ветку http://www.nexia-club.ru/f/elektroob...echenie-na-pk/
    там где-то ссылки были, вот эта вроде http://www.auto-bk.ru/forum/topic/16786/Стр.1

  5. #85
    Чибур
    Старожил
    Цитата Сообщение от petr_ Посмотреть сообщение
    Адаптер нужен, тк. в авто шина CAN
    Откуда Вы взяли,что в ЭБУ Нексии CAN-шина??? Не было там её и нет!

    - - - Добавлено - - -

    Цитата Сообщение от Fixator Посмотреть сообщение
    ELM 327 не работают на N100, даже USB если не ошибаюсь, так что прежде чем их заказывать, 100раз все взвесьте.....
    Читайте ссыль Antipin чуть ниже

  6. #86
    Kardan48
    Новичок
    На ксюху 2001 г как подобрать адаптер? Есть телефон на андроиде, лучше через вифи или блютус.

  7. #87
    AlexAnder007
    Участник
    a_vadimka вот тут целый архив со схемами http://xn--327-qdd4ag.xn--p1ai/ob-ad...imi-rukam.html правда я не осилил, лень матушка разъедает))

    - - - Добавлено - - -

    Цитата Сообщение от Kardan48 Посмотреть сообщение
    На ксюху 2001 г как подобрать адаптер? Есть телефон на андроиде, лучше через вифи или блютус.
    у меня машина 97 года мне елмка не пошла, только к лайн юсб, на 2001 год хз но думаю тоже вряд ли, у нас к лайны то не все работают, надо на фтди чипе, а раньше и 340 работали.

  8. #88
    Kardan48
    Новичок
    Цитата Сообщение от AlexAnder007 Посмотреть сообщение
    у меня машина 97 года мне елмка не пошла, только к лайн юсб, на 2001 год хз но думаю тоже вряд ли, у нас к лайны то не все работают, надо на фтди чипе, а раньше и 340 работали.
    Я немного не шарю в этих названиях сокращенных, можно ссылку на модель которая работает у вас? И как по функционалу? И что это за чип такой?

  9. #89
    AlexAnder007
    Участник
    У меня такой адаптерhttp://xn--327-qdd4ag.xn--p1ai/katal...l-409-usb.html
    Работает уже больше года наверное, брал когда машина стала переставать заводится, выдал ошибку в ДАД поменял теперь все ок. Особо не лазил что там еще можно, там где то 6 прог с разным функционалом. Можно такой же в китае купить дешевле, но смотри чтобы фтди чип был а то сейчас в китае большинство на 340 чипе он не подключается к нашим эбу но на нью нексиях вроде работает. А елмку надо пробывать на наши авто перед покупкой, она мне кажется только на нью работает.

  10. #90
    Kardan48
    Новичок
    Цитата Сообщение от AlexAnder007 Посмотреть сообщение
    У меня такой адаптерhttp://xn--327-qdd4ag.xn--p1ai/katal...l-409-usb.html
    Работает уже больше года наверное, брал когда машина стала переставать заводится, выдал ошибку в ДАД поменял теперь все ок. Особо не лазил что там еще можно, там где то 6 прог с разным функционалом. Можно такой же в китае купить дешевле, но смотри чтобы фтди чип был а то сейчас в китае большинство на 340 чипе он не подключается к нашим эбу но на нью нексиях вроде работает. А елмку надо пробывать на наши авто перед покупкой, она мне кажется только на нью работает.
    Большое спасибо за такой развернутый ответ, особенно по поводу чипа.

Похожие темы

  1. Программа для диагностики.
    от olenek в разделе Вопросы и ответы
    Ответов: 49
    Последнее сообщение: 27.09.2017, 00:30
  2. У кого есть ПО для диагностики N-150
    от rsbvodila в разделе Nexia N-150(new)
    Ответов: 37
    Последнее сообщение: 30.04.2017, 12:24
  3. Не работает адаптер для диагностики OBD2
    от pasha12 в разделе Дополнительное оборудование
    Ответов: 14
    Последнее сообщение: 11.10.2014, 23:29
  4. какой адаптер для диагностики F16D3
    от ld_86 в разделе Электрооборудование и электроника
    Ответов: 6
    Последнее сообщение: 30.07.2013, 14:14
  5. Разработка Ява приложения для диагностики
    от ALBSEERA в разделе Дополнительное оборудование
    Ответов: 2
    Последнее сообщение: 23.12.2011, 16:09

Ваши права

  • Вы не можете создавать новые темы
  • Вы не можете отвечать в темах
  • Вы не можете прикреплять вложения
  • Вы не можете редактировать свои сообщения
  •